推荐产品
山东重弓汽车配件有限公司
联系人:于经理
电 话:13275338222
邮箱:8168490@qq.com
地 址:山东省淄博市

新闻资讯
您现在的位置:山东重弓汽车配件有限公司 > 新闻资讯
| 汽车板簧生产工艺流程 |
| 时间:[2021/11/22] |
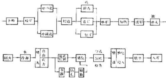
汽车板簧的生产工艺流程如下图所示:
汽车板簧生产工艺中,卷耳和包耳工序是关键。但由于各企业的设备不同,则卷耳与包耳的成形方法各异。一般将有用机械传动的、机械液压双重传动的和全液压传动的卷耳机进行卷耳、包耳工序。 用机械传动卷耳机进行卷耳的工序如下图所示:
此种方法是靠模板的推移和工件沿模型强制卷曲成形,故称之为推卷法。此法生产的卷耳,内控需整形,以确保精度。 用全液压卷耳机进行卷耳的工序如下图所示:
在卷制时,夹紧缸夹紧,同时中间定位销由液压缸垂直下移抽出,此时活靴处于浮动,使钢板卷制时移动。 在全液压卷耳机上,卷制垂耳和包耳的最终工步如下图所示,其余工步与上图相同。 ![]() |
| 上一篇:汽车钢板弹簧降噪片的优点 |
| 下一篇:汽车板簧的弹性松弛抗力分析 |
| 相关新闻: |






